Instalacja ograniczników przepięć - praktyczne wskazówki.
- Porady
- 338 wyświetlenia
Ogólne wskazania, które pozwalają instalować ograniczniki przepięć - należy zwrócić istotną uwagę, że każdy rodzaj tych urządzeń pełni zgoła inne funkcje i do każdego z nich solidny producent ograniczników przepięć przygotował osobną instrukcję instalacyjną. To właśnie tam znajdują się najważniejsze informacje dotyczące montażu konkretnego ogranicznika. W zasadzie możemy wyróżnić kilka uniwersalnych wskazówek, które ułatwią instalację ograniczników – dzięki nim powinna ona przebiegać bez zakłóceń i większych problemów.
Istniejące ogólne wskazania, które pozwalają instalować wszystkie ograniczniki przepięć, to jednak należy zwrócić istotną uwagę, że każdy rodzaj tych urządzeń pełni zgoła inne funkcje i do każdego z nich solidny producent ograniczników przepięć przygotował osobną instrukcję instalacyjną. To właśnie tam znajdują się najważniejsze informacje dotyczące montażu konkretnego ogranicznika. W zasadzie możemy wyróżnić kilka uniwersalnych wskazówek, które ułatwią instalację ograniczników – dzięki nim powinna ona przebiegać bez zakłóceń i większych problemów.
Dodatkowe zabezpieczenie urządzeń wrażliwych.
Wyjątkowo istotna jest kwestia przekroju przewodu ochronnego PE. Należy zwrócić uwagę na nominalny prąd bezpiecznika zamontowanego przed ogranicznikiem. Przekrój przewodu dla ogranicznika typu 2 nie może być mniejszy niż 6 mm², jednak może być większy [ zalecany ] – w zależności od wartości przepływającego przez przewód prądu, który maksymalnie może ograniczyć bezpiecznik zainstalowany od strony źródła zasilania. Stąd im większe wartości zabezpieczeń nadprądowych tym większe również muszą być przekroje przewodu PE, maksymalnie nawet 16 mm². Z ogranicznikiem typu 2 wiąże się kolejna istotna rzecz, mianowicie dla układu sieci TN-S lepsze, ponieważ niższe
o połowę, poziomy ochrony oferują ograniczniki połączone w układzie 3+1. Właściwy aparat do wszelkich rozdzielnic i szaf sterowania,
to jako przykład VAL-SEC-T2-3S-350 – nr kat. 2905345

Niektóre drogie i specjalistyczne urządzenia sterujące ze względu na swoją wrażliwość mogą wymagać dodatkowego zabezpieczenia przed przepięciami. Kolejną strefę ochrony (LPZ) można stworzyć wewnątrz rozdzielnic zasilania/sterowania lub szaf automatyki, a także poza nimi w niewielkich odległościach od ważnego urządzenia ale w kubaturze obiektu.
W przypadku, gdy systemy elektroniczne posiadają odporność Uw poniżej 2,5 kV dodatkowo należy zastosować ogranicznik typu 3 (testowany klasą testu III ).
Niektóre wersje SPD typu 3 nie łączą się galwanicznie z PE przy montażu na szynie. Dlatego, że istotny jest sposób przyłączenia ogranicznika do obwodu PE, czasem niezbędne jest wykonanie osobnego połączenia z PE.
Przykład solidnego ogranicznika typu 3, jak na zdjęciu obok, to PLT-SEC-T3-230-FM-PT – nr kat. 2907928

Należy też pamiętać, że ogranicznik powinien być włączony blisko urządzenia, które podlega ochronie. Jeśli ogranicznik znajduje się w większej odległości niż 10 metrów, należy umieścić kolejny – bezpośrednio przy chronionym urządzeniu/obiekcie, który podlega bezpośredniej ochronie. W takiej sytuacji mogą to być ponownie ograniczniki typu 2, czy również typu 3.
Bezwzględnie należy sprawdzać zalecenia producenta dotyczące przekroju przewodu PE w relacji do wartości poprzedzających bezpieczników,
która to powinna zawierać instrukcja instalacyjna.
W przypadku, gdy strefa kategorii przepięciowej I (LPZ 3) znajduje się poza rozdzielnicą zasilania/sterowania, ale wewnątrz kubatury obiektu, to możemy sięgnąć po ogranicznik przepięć instalowany w puszkach gniazd podtynkowych lub w formie dodatkowych adapterów specyficznie montowane . Każdy z tych ograniczników posiada mechaniczny wskaźnik uszkodzenia, a niektóre z nich wyposażone są też w sygnalizację dźwiękową.
Wyładowania atmosferyczne, a instalacja ograniczników przepięć.
Jeżeli główne zasilania dociera z zewnątrz do głównej rozdzielni, a budynek posiada własny system odgromowy (lub inne zabezpieczenie przed piorunami), to zgodnie z normą PH-HD 60364-5-534:2016, należy zainstalować ogranicznik testowany klasą testu I (typu 1). Ma to znaczenie na styku stref – zewnętrznej
i wewnętrznej (LPZ 0/I) budynku, gdzie najczęściej umieszcza się produkty
o kategorii przepięciowej IV, dla przykładu liczniki energii elektrycznej szczególnie podatne na wyładowania atmosferyczne i przepięcia komutacyjne indukowane w sieci n/n. 230 VAC.
Montując ograniczniki przepięć, należy zwrócić dużą uwagę na ich parametry. Jeśli zdecydujesz się na ograniczniki o wartościach Iimp mniejszych niż 12,5 kA 10/350 µs, będziesz zobowiązany do wykonania analizy zagrożenia obiektu, aby wykazać stosowność wybranego produktu.. Gdy montujesz ogranicznik testowany klasą testu I z prądem Iimp nie mniejszym niż 25 kA 10/350 µs, to nie zachodzi taka potrzeba.
Jesteśmy zobligowani jednak brać pod uwagę też fakt, że tam, gdzie mamy do czynienia z potencjalnymi odpływami na zewnątrz, trzeba liczyć się
z występowaniem częściowych prądów piorunowych również w tych obwodach. To z kolei sprawia, że w takich miejscach niezbędny jest kolejny ogranicznik typu 1. Często się o tym nie pamięta ze szkodą dla naszej instalacji.
Zabezpieczenia szczególne – jaki model wybrać?
W każdej instalacji zasilającej występują niespodziewane przepięcia. Warto zwrócić na nie uwagę i dobrać taki ogranicznik, który na co dzień będzie sobie
z nimi radził bezproblemowo.
Bardzo często współcześnie rozdzielnie główne są wyposażone w aparaty elektroniczne – więc szybkość ich działania ogranicznika jest niezwykle istotna. Jeżeli zastanawiamy się, jaki aparat wybrać:
- dla sieci pięcioprzewodowych, doskonale sprawdzi się model FLT-SEC-T1+T2-3S-350/25-FM – nr kat. 2905470,
• w przypadku sieci czteroprzewodowych z PEN rekomendowanym wyborem będzie natomiast odgromnik FLT-SEC-T1+T2-3C-350/25-FM – nr kat. 2905469. To są połączone fizyczne dwa różne rodzaje ograniczników – typu 1 i 2. Dzięki tej kombinacji ograniczników aparat jest szybszy kilka razy niż standardowe typu 1.

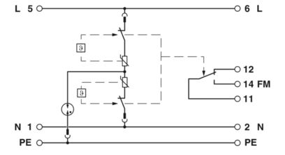
- Rys. 1. Uniwersalna, rzeczywista kombinacja dwóch różnych ograniczników przepięć dla 5-cio przewodowych sieci zasilających do ochrony obiektów od klasy ochrony IV do klasy I. [ FLT-SEC-T1+T2-3S-350/25-FM – nr kat. 2905470 ]


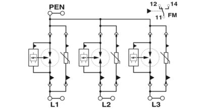
• Rys. 2. Wtykany moduł odgromnika kombinowanego z ogranicznikiem przepięć, typ 1+ typ 2/klasa I+II, do 3-fazowych sieci zasilających ze wspólnym przewodem PE i N (L1, L2, L3, PEN). [ FLT-SEC-T1+T2-3C-350/25-FM – nr kat. 2905469 ]
Poziom ochrony Up wynosi poniżej 1,5 kV, czyli dokładnie tyle, ile potrzeba do ochrony specjalistycznych (wrażliwych) urządzeń elektronicznych. Natomiast poziom nadprądowych zabezpieczeń to 315A gG. Jest to też znakomite rozwiązanie do ochrony zasilania wszelkich małych szaf obiektowych, czy ważnych autonomicznych kontenerów.
W opisanej sytuacji zastosowanie mają podobne wskazówki, jak przy instalacji ogranicznika typu 2 z uwzględnieniem danych z własnej instrukcji instalacyjnej związanych z relacją pomiędzy poprzedzającym bezpiecznikiem oraz przewodem ochronnym.
Z kolei, jeśli zabezpieczamy obiekt w klasie ochrony I lub II, warto pamiętać, aby nie stosować dla niego układu typu „V”, ze względu na wprowadzone ograniczenie maksymalnego prądu płynącego poprzez podwójne zaciski takiego ogranicznika
Jeżeli w głównej rozdzielni nie są zainstalowane żadne elektroniczne urządzenia pełniące wyjątkowo ważne funkcje (np. zasilacze bądź falowniki, sterownik, kompensacja mocy..), można rozważyć użycie innego, „wolniejszego” rozwiązania. Jako przykład zespoły FLT-SEC-P-T1-3S-350/25-FM – nr kat. 2905421 składający się ze standardowych, iskiernikowych ograniczników testowanych jako klasy I i doskonale sprawdzą się w pracy przy sieciach pięcioprzewodowych TT/TN-S.
Dozwolone układy połączeń ograniczników przepięć dla układu sieci TN-S i ich zalety dla użytkownika.

• Rys. 3. Wtykowy odgromnik, zgodny z typem 1/klasa I, do 3-fazowych sieci zasilających z oddzielnym przewodem N i PE (L1, L2, L3, PE, N [ FLT-SEC-P-T1-3S-350/25-FM – nr kat. 2905421]
Zobacz również inne artykuły
Główne różnice między układami dyskretnymi a ciągłymi w automatyce.
Jak zaplanować skuteczne wdrożenie systemów automatyki przemysłowej?
Instalacja ograniczników przepięć - praktyczne wskazówki.
Komentarze (0)